| Use browser Back button to return | ||
![]()
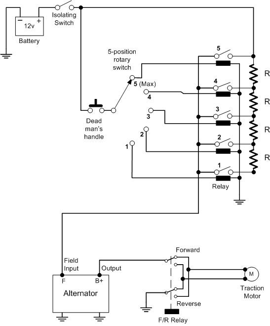
Original "Malcolm Moore" Switched Resistor Controller Diagram
|
||
|
Updated: 23 Dec 2012 22 Now viewing: 1 |
Text and photos Copyright © 2008-2019 Dave Webb, All rights reserved. |
Created by deeja DateHere